
一、矿用防爆型手电两用电动蝶阀介绍:
矿用防爆型手电两用电动蝶阀由矿用隔爆型一体式阀门电动装置与蝶阀组合而成,适用于煤矿井下给排水和冶炼等工业管路上。可在多种气体、液体、半流体及微颗粒粉末输送管线或容器上作为控制介质向流动的启闭机构。矿用防爆型手电两用电动蝶阀为I类隔爆,则性能符合GB3836.1-2010《爆炸性环境第1部分:设备通用要求》.GB3836.2-2010《爆炸性环境第2部分:由隔爆外壳“d”保护的设备》的有关规定。电气性能方面遵守JB/T8529-1997《隔爆型阀门电动装置技术条件》和GB/T24922-2010《隔爆型阀门电动装置技术条件》,并经国家防爆电气产品质量监督检验测试中心检定,取得了全系列的防爆合格证,可广泛应用于煤矿井上,井下的管道阀控系统中。
二、矿用一体式电动蝶阀主要技术参数:
DN公称通径 | DN1200~DN50 | Mpa公称压力 | 0.6 | 1.0 | 1.6 | 2.5 | Mpa强度试验 | 0.9 | 1.5 | 2.4 | 3.75 | Mpa密封试验 | 0.66 | 1.1 | 1.76 | 2.75 | 适用温度 | ℃650~℃40-:不锈钢℃425~℃29-:碳钢 | 适用介质 | 水、空气、天然气、油品及弱腐蚀性流体 | 驱动方式 | 蜗轮传动、电动、气动、液动 |
|
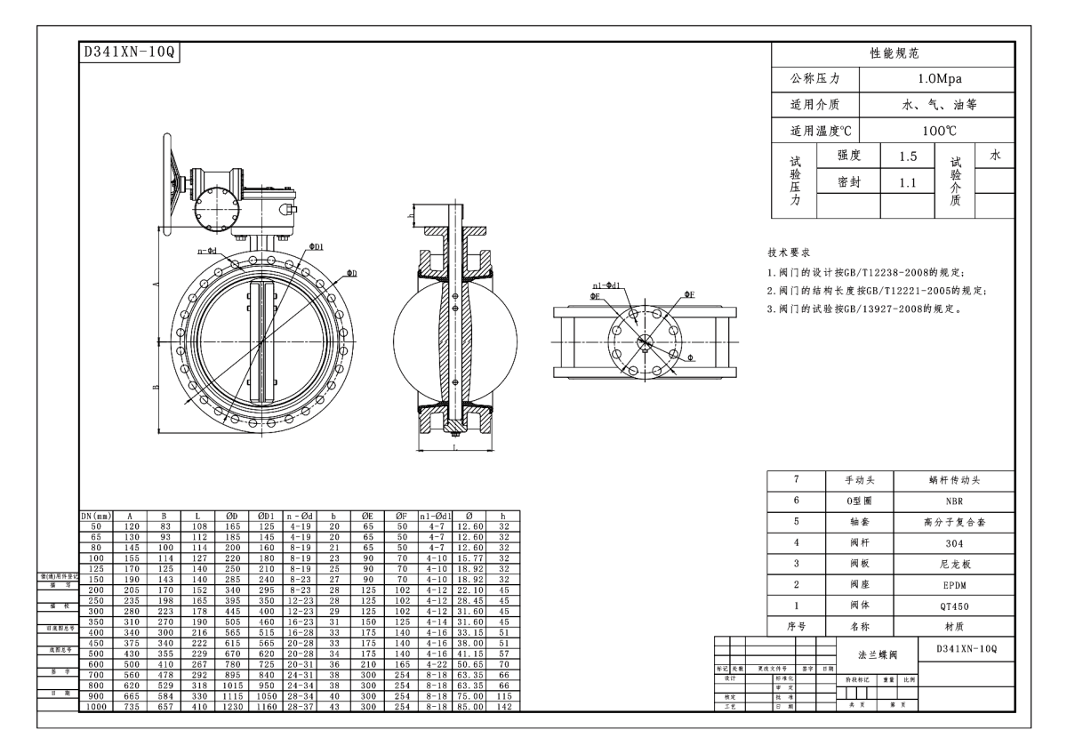
三、矿用防爆型手电两用电动蝶阀图纸:






矿用防爆型手电两用电动蝶阀



矿用防爆型手电两用电动蝶阀
江苏贝尔阀门控制有限公司生产的矿用防爆型手电两用电动蝶阀由矿用隔爆型一体式阀门电动装置与蝶阀组合而成,适用于煤矿井下给排水和冶炼等工业管路上。可在多种气体、液体、半流体及微颗粒粉末输送管线或容器上作为控制介质向流动的启闭机构。
型号:
D9B41X-10 DN600
电源电压:
AC380V/660V
防爆等级:
ExdIMb
品牌:
江苏贝尔
公称压力:
PN10
公称通径:
DN600
连接方式:
法兰
适用介质:
水、瓦斯、天然气等
配件:
矿用一体式阀门电动装置